Новости
Личные финансы
Родители и дети
Еда
Ещё
Здоровье
Развлечения и отдых
Дом и уют
Спорт
Карьера
Авто
Технологии и тренды
Жизненные ситуации
Сберегаем вместе
Гороскопы
Почта
Поиск
Погода
ТВ-программа
Помощь
Поиск по интернету
$
74.8
€
88.64
ЗОЖ
Болезни
Запись к врачу
Здоровое питание
Лекарства
Красота
Психология
Новости медицины
Наука
Новости ЗОЖ
Все материалы за 10 мая 2025
10 мая
Май
2025
пн
вт
ср
чт
пт
сб
вс
1
2
3
4
5
6
7
8
9
10
11
12
13
14
15
16
17
18
19
20
21
22
23
24
25
26
27
28
29
30
31
Сегодня
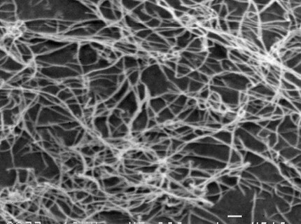
Nature: открыт фермент, эффективно расщепляющий целлюлозные волокна
Наука
10 мая 2025
Самарский гериатр раскрыл секреты долголетия
Новости ЗОЖ
10 мая 2025
Девушка заболела синдромом Лайелла после приема обезболивающих
Новости медицины
10 мая 2025
Прививка против лишая помогает снизить риск сердечно-сосудистых заболеваний
Наука
10 мая 2025
В чем разница между пробиотиками и пребиотиками
Новости ЗОЖ
10 мая 2025
Ученые предупредили о риске затопления крупнейших городов США
Наука
10 мая 2025
Побочные эффекты «Оземпика» могут вырасти на 350%
Новости медицины
10 мая 2025
Врачи не исключают вспышку кори в Нижегородской области
Новости медицины
10 мая 2025
Новые технологии получения и очистки фторированного эфира для химической промышленности
Наука
10 мая 2025
Физиологи выяснили, почему у некоторых людей пальцы не морщатся в воде
Наука
10 мая 2025
В Роспотребнадзоре рассказали, как снизить сезонную аллергию
Новости медицины
10 мая 2025
Названо число заболевших корью в США
Новости медицины
10 мая 2025
Что категорически нельзя есть на завтрак с похмелья? Врач назвал блюдо — убийцу печени
Новости ЗОЖ
10 мая 2025
Волгоградцам рассказали о том, как стресс влияет на пищеварение
Новости медицины
10 мая 2025
Врач рассказала о влиянии на дыхательную систему чёрной плесени — опасного грибка
Новости медицины
10 мая 2025
Новости партнеров
1
2
3
4
5